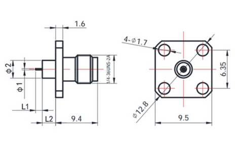
2.92mm Female Connector with 4-hole Flange | Hole Spacing 6.35mm | Metal Through-plate | DC-40GHz
Gwave provide a group of 2.92mm Female Flange Mount and Metal through-plate connectors, using frequency up to 40GHz. This series of connectors have 4-Hole flange, flange size is 9.5mmX 9.5mm and the space of flange hole is 6.35mm . They have different Through-plate matel diameter and length, different tail Pin diameter and Length. Please refer to the picture, drawing and the corresponding size to select the product you need.


Part Number List:
| 2.92-KFD0201 | Φ1=0.3mm,Φ2=4mm, L1=1.5mm,L2=1.4mm |
| 2.92-KFD0202 | Φ1=0.3mm,Φ2=4mm, L1=1.5mm,L2=3mm |
| 2.92-KFD0203 | Φ1=0.6mm,Φ2=4mm, L1=1.27mm,L2=10.1mm |
Specifications:
| Frequency | DC-40GHz |
| Insertion Loss | ≤ 0.05 xSqt.(f_GHz) dB |
| VSWR | 1.15 |
| Body Material | Stainless Steel |
| Mount Method | 4-Hole Flange |
| Size | 9.5mmX 9.5mm |
| Operation Temp. | -55~+165deg. |