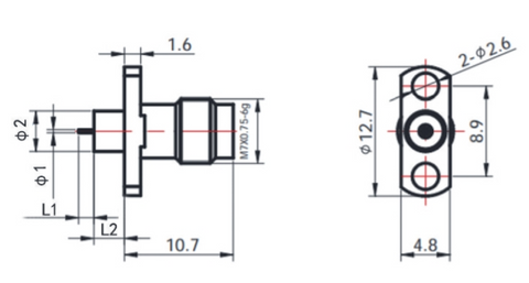
2.4mm Female Connector with 2-hole Flange | Hole Spacing 8.9mm | Metal Through-plate | DC-50GHz
Gwave provide a group of 2.4mm Female Flange Mount and Metal through-plate connectors, using frequency up to 50GHz. This series of connectors have 2-Hole flange, flange size is 12.7mmX 4.8mm and the space of flange hole is 8.9mm . They have different Through-plate matel diameter and length, different tail Pin diameter and Length. Please refer to the picture, drawing and the corresponding size to select the product you need.


Part Number List:
| 2.4-KFD0601 | Φ1=0.3mm,Φ2=4mm, L1=1.5mm,L2=1.4mm |
| 2.4-KFD0602 | Φ1=0.3mm,Φ2=4mm, L1=1.5mm,L2=3mm |
Specifications:
| Frequency | DC-50GHz |
| Insertion Loss | ≤ 0.05 xSqt.(f_GHz) dB |
| VSWR | 1.15 |
| Body Material | Stainless Steel |
| Mount Method | 2-Hole Flange |
| Size | 12.7mmX 4.8mm |
| Operation Temp. | -55~+165deg. |